/Files/Icons/phone.svg
+972 3 5584936
/Files/Icons/envelope.svg
sales@azilka.com
/Files/Icons/1_none.svg
About
Who are we
/Files/Icons/1_none.svg
Contact us
/Files/Icons/user.svg
Sign in
Sign in
Forgot password
Create account
/Files/Icons/shopping-bag.svg
Cart
0
Products
Mould Cooling
Thermal Management
Consumables
Temperature Control
Material Handling
End of Arm Tooling
End of Barrel
Tools & Accessories
Machine Accessories
Mould Clamping
Mould Handling
Mould Components
Technology
Flosense
Hose Configurator
Prodoptim
Support Center
Downloads section
Policies
Products
Mould Components
Mould Monitoring
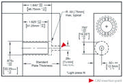
Round Counter
Product number:
3739
Round Counter
Mouldpro
Buy now
Specification
Files
Images
Round Counter
Previous
Next
Specification
YOU MAY
ALSO LIKE
Favorite list updated